Peças de reposição Deltec para aquários de água salgada
20 produits
Mostrando 1 - 20 de 20 item(s)
219,00 €
DELTEC DCS600 é uma bomba para skimmers SC1455 , 1000ix , MCE500 , MCE600 . Vendido completo com rotor pico. Peça de reposição garantida por 2 anos. Com consumo de 12 watts e tensão de alimentação de 230 V/50 Hz.
109,00 €
Rotor pico DCS 600 para skimmer Deltec MC 500. Foto não contratual
49,99 €
Rotor para bomba skimmer Deltec DCC 2 SW. Compatível com skimmers 600i e 1000i.
19,99 €
Controlador para bomba skimmer Deltec sc1351.
52,99 €
Flutuador para Osmolator Aquastat 1001.
4,99 €
Vedação de balde para skimmer Deltec SC1660.
159,99 €
A bomba DCC 2 SW da Deltec é uma bomba completa para skimmers SC 1456, 1351, 600i e 1000i . Peça de reposição garantida por 2 anos.
Foto não contratual.
12,99 €
Venturi para skimmer 1000ix. Parte número 7 do diagrama.
2,99 €
Parafuso para skimmer 1000i e 1000ix. Peça número 14 do diagrama.
2,99 €
Parafuso para skimmer 1000i e 1000ix. Peça número 20 do diagrama.
225,00 €
Kit de modificação Deltec para atualizar um skimmer 1500ix para um 1500I
69,99 €
Número de peça 16: Conexão para filtro UV Deltec 802.
Ref.: 99451000
109,99 €
Número de peça 17: Conexão para filtro UV Deltec 802.
Ref.: 99452000
29,99 €
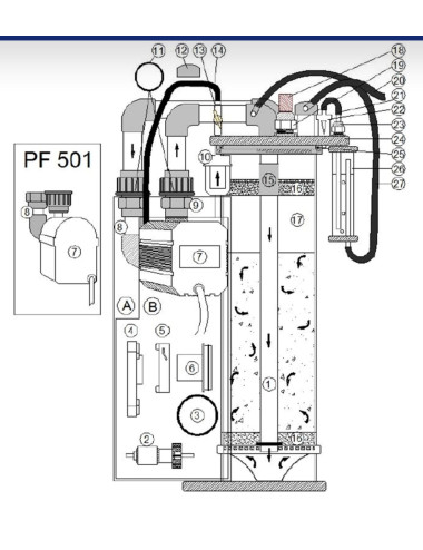
Contador de bolhas para reatores PF 500/501/601/601S.
8,99 €
Tubo de silicone branco com diâmetro de 7/10mm. Adequado para o reator Deltec CRTT.
13,99 €
Suporte de medidor de vazão para reator Deltec CRTT.
2,99 €
Parafuso curto de cabeça serrilhada azul para reator CRTT.
Número da peça M1 do diagrama:
2,99 €
Anel de vedação para bomba Deltec DCC2.
49,99 €
Controlador para bomba skimmer Deltec DCC3/4 . Peça original Deltec .
(foto ilustrativa não contratual)
23,99 €
Adaptador de entrada de ar para skimmers Deltec 600i e 1000i. Parte 7 do diagrama.
Encontre todas as peças de reposição da marca Deltec na Zoanthus. Se faltar alguma coisa nesta lista, você pode nos enviar uma solicitação de peça através do formulário de contato do site.